|
UCC系列
收藏
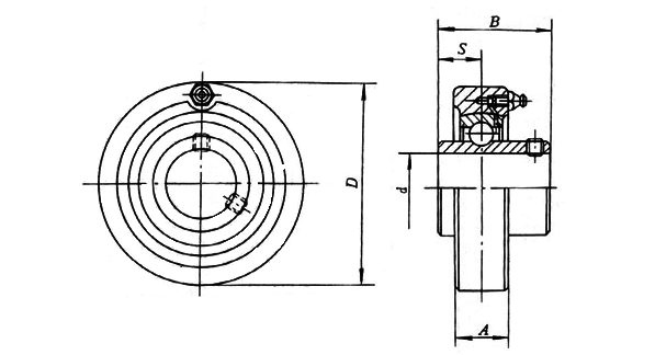
外球面球轴承实际上是深沟球轴承的一种变型,特点是它的外圈外径表面为球面,可以配入轴承座相应的凹球面内起到调心的作用,带座外球面轴承是将滚动轴承与轴承座结合在一起的一种轴承单元,大部分外球面轴承都是将外径做成球面,与带有球状内孔的轴承座安装在一起,结构形式多样,通用性和互换性好。 同时,此类轴承在设计上也具有一定调心性,易于安装,具有双重结构的密封装置,可以在恶劣的环境下工作,外球面轴承优先适用于要求设备及零部件简单的场合,例如用于农业机械,运输系统或建筑机械上。 主要特点: 免维护设计/终身无需注油保养/更有效的防沙尘。 |
